The Roof Cleaning Institute Of America Training & Certification Forum
"Find A Certified Roof Cleaner Directory"

Members Login
Username 
 
Password 
    Remember Me  
Post Info TOPIC: Relay replacement for a Delavan Fat Boy


Premium Member Roof Cleaning Institute of America Certified Roof Cleaning Specialist

Status: Offline
Posts: 1398
Date:
Relay replacement for a Delavan Fat Boy
Permalink  
 


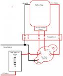
Now that we have a member’s only section I will post a relay replacement wiring diagram for the Delavan Fat Boy.  The relay that it comes with will not hold up to our roof cleaning environment.  This article replaces the relay with a car starter solenoid.  I used a Ford Starter solenoid but any will do with one exception.  The solenoid must be rated “continuous duty” which means it can be energized continuously without burning out.  I also used a terminal block because my solenoid is mounted inside a Nema 4 enclosure.  This protects it from our chemicals and prevents it from getting shorted out accidentally.  If the pump quits working you just hook another one to the terminal block and do not have to rewire anything.

 

Cut the wires coming from the Delavan Fat Boy pump but leave them as long as possible.  

 

From my 12 Volt battery “+” post I ran a 6 gauge red wire to an electrical switch so I could turn the pump on or off.  From the electrical switch I ran the +12V, 6 gauge red wire to the “In” terminal of the solenoid.  From the “Out” terminal of the solenoid I ran the +12V, 6 gauge red wire to the terminal block and then I hooked the +12V red input wire of the Delavan Fat Boy to the terminal block.

 

From my 12 Volt battery “-” post I ran a 6 gauge black wire to a terminal block and then on to the Ground mounting bolt of the solenoid.  I hooked the -12V black wire of the Delavan Fat Boy to the terminal block.

 

Then I ran a 12 gauge red wire from the “In” terminal of the solenoid to the terminal block and hooked one of the Fat Boy Pressure Switch wires to it.   

 

Last I ran a 12 gauge red wire from the “coil” terminal of the solenoid to the terminal block and hooked the other Fat Boy Pressure Switch wire to it. 

 

It does not matter which pressure switch wire you use from the Fat Boy as the switch is not polarized.  I stripped I back ¼”  from the ends of each wire and coated the bare wire with electrical grease to prevent corrosion.  Then I slide a 2” piece of shrink tubing over the wire and crimped it to a 6 gauge ring terminal.  After that I slid the shrink tubing over the crimped area of the lug and applied heat to it to shrink the shrink tubing to make an air tight fitting over the connection to protect it.

 

I used 6 gauge wires because my pump is more that 6’ from the battery.  6 gauge wire can handle the amperage that the pump can draw without a voltage drop or over heating of the wire.  I also applied electrical grease to the terminal block.  This protects it from corrosion.  Using red & black color coded wiring will make it easier to diagnose and help prevent wiring mistakes.

 

After it was wired and running I adjusted the pressure switch screw on the pressure switch of the Fat Boy so that it only turned the pump on/off when I turned my gun on/off.  This will prevent pulsating headaches.  It also prolongs the contacts of the solenoid.

 



-- Edited by Roof Cleaning Katy Texas (281) 392-2304 on Tuesday 16th of November 2010 11:02:39 PM

Attachments
__________________

Professional Roof Cleaning, Power Washing,
& Pressure Washing services company in
Houston Tx, Katy Tx, Fulshear Tx,
Richmond Tx, Sugar Land Tx,
Roof Cleaning Power Washing Pressure Washing
Marcus Raif
Katy, Texas
www.k-mpw.com
Roof Cleaning Pictures Houston Tx
Facebook



Guest

Status: Offline
Posts: 244
Date:
Permalink  
 

Marcus,

Thank you for that great informative posts. I'm still hoping we can meet up soon. You've been a tremendous help to me already and I hope that I can soon return the time and generosity you've already shown. I bought the new flojet and you can't even get to the relay but I'm planning to have a fatboy for back up so this tutorial greatly helps!

Thanks!

__________________

Roof Restore LLC
(832) 453-9941 (c)



Guest

Status: Offline
Posts: 1172
Date:
Permalink  
 

Roof Cleaning Katy Texas (281) 392-2304 wrote:

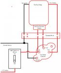
Now that we have a member’s only section I will post a relay replacement wiring diagram for the Delavan Fat Boy.  The relay that it comes with will not hold up to our roof cleaning environment.  This article replaces the relay with a car starter solenoid.  I used a Ford Starter solenoid but any will do with one exception.  The solenoid must be rated “continuous duty” which means it can be energized continuously without burning out.  I also used a terminal block because my solenoid is mounted inside a Nema 4 enclosure.  This protects it from our chemicals and prevents it from getting shorted out accidentally.  If the pump quits working you just hook another one to the terminal block and do not have to rewire anything.

 

Cut the wires coming from the Delavan Fat Boy pump but leave them as long as possible.  

 

From my 12 Volt battery “+” post I ran a 6 gauge red wire to an electrical switch so I could turn the pump on or off.  From the electrical switch I ran the +12V, 6 gauge red wire to the “In” terminal of the solenoid.  From the “Out” terminal of the solenoid I ran the +12V, 6 gauge red wire to the terminal block and then I hooked the +12V red input wire of the Delavan Fat Boy to the terminal block.

 

From my 12 Volt battery “-” post I ran a 6 gauge black wire to a terminal block and then on to the Ground mounting bolt of the solenoid.  I hooked the -12V black wire of the Delavan Fat Boy to the terminal block.

 

Then I ran a 12 gauge red wire from the “In” terminal of the solenoid to the terminal block and hooked one of the Fat Boy Pressure Switch wires to it.   

 

Last I ran a 12 gauge red wire from the “coil” terminal of the solenoid to the terminal block and hooked the other Fat Boy Pressure Switch wire to it. 

 

It does not matter which pressure switch wire you use from the Fat Boy as the switch is no polarized.

On the ends of each wire I stripped I back ¼” and coated the bare wire with electrical grease to prevent corrosion.  Then I slide a 2” piece of shrink tubing over the wire and crimped it to a 6 gauge ring terminal.  After that I slid the shrink tubing over the crimped area of the lug and applied heat to it to shrink the shrink tubing to make an air tight fitting over the connection to protect it.

 

I used 6 gauge wires because my pump is more that 6’ from the battery.  6 gauge wire can handle the amperage that the pump can draw without a voltage drop or over heating of the wire.  I also applied electrical grease to the terminal block.  This protects it from corrosion.  Using red & black color coded wiring will make it easier to diagnose and help prevent wiring mistakes.

 

After it was wired and running I adjusted the pressure switch screw on the pressure switch of the Fat Boy so that it only turned the pump on/off when I turned my gun on/off.  This will prevent pulsating headaches.  It also prolongs the contacts of the solenoid.

 



Excellent post Marcus    138394,138394,


__________________

Elite Roof Cleaners
Roof Cleaning Missouri & Kansas City

 65808-64108

417-230-8103 * 913-839-6577
RoofcleaningMissouri

RoofcleaningKansas



Guest

Status: Offline
Posts: 542
Date:
Permalink  
 

Awesome post Marcus. This is the kind of info that should make guest want to join as a member. I have asked and seen others ask about this relay problem for some time now. Just another great piece of info that non-members are missing out on.

__________________

                Header-Newsletter-LandisRoof%2525281%252529.jpg 

Click to see what we can do for you!

Barry Landis

facebook.jpgemail.jpg 

610-689-4475
 
-----------


Guest

Status: Offline
Posts: 467
Date:
Permalink  
 

Thanks Marcus! I knew it could be done but never sat down and researched it out so I never did it

__________________
FullBlast


Chet Eby
Shippensburg PA 17257


Premium Member Roof Cleaning Institute of America Certified Roof Cleaning Specialist

Status: Offline
Posts: 1393
Date:
Permalink  
 

What is Nema 4 enclosure?

__________________
Elephant Roof and Exterior Cleaning
Raleigh North Carolina

David Hoover

919-207-0666
Benson NC.

Roof Cleaning Raleigh NC


Guest

Status: Offline
Posts: 383
Date:
Permalink  
 

Thanks Marcus! We went through some fatboys!

__________________

Patbannerweb2copy.jpg

Owner: Pat Clark

Email: Precisionprowash@gmail.com
Phone:(864)724-WASH
Roof Cleaning Greenville SC



Premium Member Roof Cleaning Institute of America Certified Roof Cleaning Specialist

Status: Offline
Posts: 1398
Date:
Permalink  
 

hoovermaneuver wrote:
What is Nema 4 enclosure?

When in doubt, Google.    http://www.nema.org/prod/be/enclosures/upload/NEMA_Enclosure_Types.pdf

 



__________________

Professional Roof Cleaning, Power Washing,
& Pressure Washing services company in
Houston Tx, Katy Tx, Fulshear Tx,
Richmond Tx, Sugar Land Tx,
Roof Cleaning Power Washing Pressure Washing
Marcus Raif
Katy, Texas
www.k-mpw.com
Roof Cleaning Pictures Houston Tx
Facebook



Guest

Status: Offline
Posts: 139
Date:
Permalink  
 

Older model Ford starter relays are the ones I have,

Attachments
__________________

Danny Bates
Lone Star Roof Cleaning
Dallas Ft. Worth, TX 76001
817-681-9239



Guest

Status: Offline
Posts: 123
Date:
Permalink  
 

138394,Nice! Since I did not find this forum before buying and using a different pump. I have a lawn pump that will put out up to 12 gpm. It does not have a pressure switch built in which I would like to add so I do not have to worry about having the ground guy run over and cut it off. It will put out up to 70 psi. Any suggestions on a PW for this? Thanks in advance!

__________________



Off The Top Roof Cleaning
Joe Garcia

281-830-7834


none

Status: Offline
Posts: 692
Date:
Permalink  
 

Awesome, awesome, awesome Marcus!!!!!!!!!!!!! Grand Slam. This is the kind of info LURKERS shouldnt be able to get without contributing either money or efforts to the RCIA!!!!!!!!!!!!!!!!!!!!!!!!!!!!!!!!

You are doing it right!

AC


__________________


Guest

Status: Offline
Posts: 123
Date:
Permalink  
 

PW is supposed to be pressure switch. Sorry for the type-o.

__________________



Off The Top Roof Cleaning
Joe Garcia

281-830-7834


Premium Member Roof Cleaning Institute of America Certified Roof Cleaning Specialist

Status: Offline
Posts: 1398
Date:
Permalink  
 

Sorry Joe, but I would not know how to add on a pressure switch to a pump that does not have one.  Check with Graingers and see if they offer one.  They are local.



__________________

Professional Roof Cleaning, Power Washing,
& Pressure Washing services company in
Houston Tx, Katy Tx, Fulshear Tx,
Richmond Tx, Sugar Land Tx,
Roof Cleaning Power Washing Pressure Washing
Marcus Raif
Katy, Texas
www.k-mpw.com
Roof Cleaning Pictures Houston Tx
Facebook



Guest

Status: Offline
Posts: 123
Date:
Permalink  
 

Thanks Marcus!! Ill try that!

__________________



Off The Top Roof Cleaning
Joe Garcia

281-830-7834
Page 1 of 1  sorted by
 
Quick Reply

Please log in to post quick replies.

Tweet this page Post to Digg Post to Del.icio.us


Create your own FREE Forum
Report Abuse
Powered by ActiveBoard